914 USED PARTS

Engine (Motor) 914-4
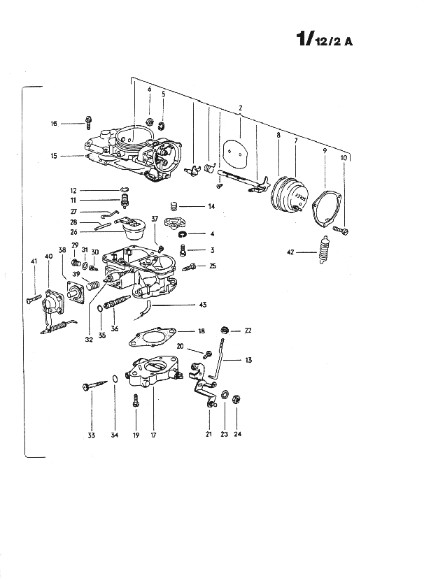
1/12/2/a Throttle Body

Search barnesandnoble.com for porsche